Características
– Caja reductora marina con embrague hidráulico
– Adecuada para motores gemelos con la misma relación de reducción en avance y retroceso
– Diseño y gestión de calidad estricta conforme a la norma ISO 9001
– Uso de fundiciones resistentes al agua de mar
– Funcionamiento silencioso gracias a engranajes de precisión
– Aplicación de rodamientos cónicos, considerando el empuje máximo
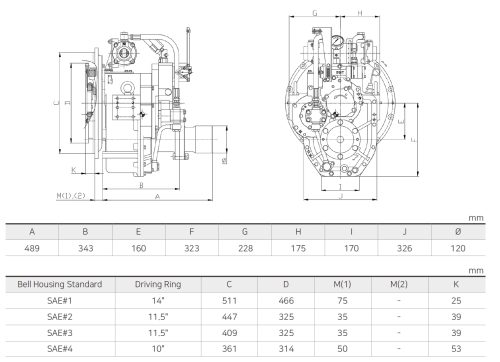
– Diseño compacto, con dimensiones mínimas dentro de su categoría
– Filtro de aceite metálico con disponibilidad permanente
– Función GO HOME (aplicación de perno de emergencia)
Opcionales
– Válvula de control eléctrica (opcional en 12V o 24V)
– Válvula de trolling mecánica
– Soportes de montaje (tipo plano o personalizados)
– Kit de montaje para bomba (SAE A, B)
– Clasificación por sociedad de clase (Class), como DNV, ABS, Lloyd’s, entre otras



Pump Mounting Kit









Valoraciones
No hay valoraciones aún.