Servicios de Cabotaje en Puerto Montt.
Importación de Repuestos e Insumos máritimos
Fabricación de Winches marítimos en Puerto Montt
Cabotaje naval en Puerto Montt
Importación de repuestos e insumos marítimos
Naval Service Group productos y servicios navieros en Puerto Montt

Servicios marítimos e importaciones Naval Service Group

Tienda

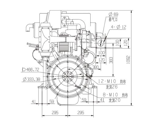
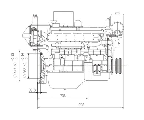
Esta serie de motores ha sido desarrollada a partir de una sólida base de tecnología marina alemana y japonesa, resultando en una fuente de potencia compacta, confiable y excepcionalmente eficiente.

Construcción y Durabilidad
Diseño Rígido y Robusto: El bloque de cilindros y las culatas están fabricados con aleación de acero de alta resistencia, lo que garantiza una estructura más rígida y duradera.

Componentes Clave Optimizados: Incorpora un cigüeñal de tipo integrado y descansos deslizantes, logrando un volumen y peso reducidos con una alta confiabilidad.

Larga Vida Operacional: Ofrece un impresionante periodo entre overhauls (reparaciones mayores) que supera las 10.000 horas de funcionamiento.

Eficiencia y Ahorro
Combustión Superior: Gracias a la tecnología de combustión tipo cuello, una bomba de combustible de alta presión, y un inyector de orificio pequeño de baja inercia, se logra una combustión más completa y eficiente.

Consumo de Combustible Líder: El índice de consumo de combustible es notablemente superior al de otros productos nacionales equivalentes, siendo las ventajas aún más marcadas en las versiones turbocargadas.

Mínimo Consumo de Aceite: Utilizando la tecnología patentada de sello de anillo de pistón y el sello de válvula de Yuchai, el consumo de aceite lubricante se reduce en más de un 50% respecto a otros productos locales de transmisión de potencia.

Aplicación Ideal
Esta serie de motores es la fuente de potencia ideal para la propulsión de barcos pequeños y para la operación de generadores marinos en el rango de 90 kW a 120 kW.

Valoraciones

No hay valoraciones aún.

Sé el primero en valorar “YC6A200L-C20”

Tu dirección de correo electrónico no será publicada. Los campos obligatorios están marcados con *